Centro di Ricerca per la Medicina di Precisione
Il Centro di ricerca sviluppa processi e prodotti per terapie personalizzate mediante tecniche di colture cellulari 3D, microfluidica, microbioreattori, sintesi e funzionalizzazione di materiali da impianto, bioprinting, bioimaging avanzato, computer science e AI. Il Centro svolge anche attività di formazione.
Tecniche
- Colture 3D di cellule umane normali e trasformate;
- Microfluidica: sviluppo di dispositivi custom per colture cellulari 3D miniaturizzate
- Sviluppo di modelli organ-on-a-chip, tissue-on-a-chip in dispositivi di microfluidica custom o commerciali
- Sviluppo di modelli 3D biostampati
- Saggi di vitalità e crescita cellulare (semiautomatizzati o automatizzati)
- Saggi di attività metabolica, di misurazione di specie reattive dell’ossigeno, tumorigenesi, clonogenesi, sia da colture 2D che 3D
- Saggi cellulari o biochimici su piattaforme di microfluidica, biostampati, cellule incluse in biomateriali o adese su dispositivi impiantabili nanostrutturati e/o tridimensionali
- Saggi di angiogenesi in vivo (membrana corion-allantoidea)
- Isolamento e caratterizzazione di vescicole extracellulari
- Saggi di biologia molecolare su tessuti e su colture cellulari, standard o miniaturizzate: RT-PCR, Western blot convenzionale o Western blot capillare, ELISA, immunostaining su vetrino
- Citofluorimetria a flusso
- Saggi di biologia molecolare su biopsie liquide (analisi a singola cellula)
- Saggi di microscopia ottica e confocale (standard, spettrale, a doppio fotone, time-lapse, in ipossia)
- Saggi di microscopia live olotomografica e analisi di immagine automatica
- Computer science
- Analisi e elaborazione delle immagini e AI
Strumenti
Microscopia
- Microscopio confocale spettrale a due fotoni e live imaging Nikon
- Microscopio ad olotomografia per live imaging Nanolive CX-F
- Microscopio rovesciato a fluorescenza Nikon TE2000-S con videocamera (IRCCS IOR)
- Microscopio rovesciato Nikon Eclipse TS100 (IRCCS IOR)
- Microscopio rovesciato Zeiss Axiovert 10 (IRCCS IOR)
- Microscopio a fluorescenza Nikon Eclipse E800 con videocamera e analizzatore d’immagine (IRCCS IOR)
- Microscopio stereoscopico Nikon SM Z 18 con videocamera per saggi in vivo su CAM, biostampati e sferoidi/organoidi
- Microscopio Nikon Eclipse Ni con videocamera (IRCCS IOR)
- Sistema Molecular Devices Imagexpress® Pico per scansione automatizzata di segnali in microscopia a fluorescenza e analisi quantitativa 2D/3D
Altri strumenti e processi a supporto
- Sistema Menarini Silicon Biosystems DEPArrayNxT™ per analisi e isolamento automatizzato di cellule rare
- Separatore cellulare per biopsia liquida con tecnologia Parsortix®
- Incubatore ipossico Ruskinn Technology INVIVO2 400 per colture in ipossia/anossia
- Lettore di micropiastre Tecan Infinite® 200 PRO per saggi ELISA e citoenzimatici
- Incubatrice FIEM per saggi su membrana corionallantoidea (IRCCS IOR)
- Ultracentrifuga Beckman Coulter Optima XE-90 per isolamento di frazioni subcellulari
- Agitatore per la perfusione passiva di colture cellulari in microfluidica
- Laser-cutter, macchina laser per incisione e taglio, Trotec Laser
- Spin coater, generatore di membrane, RK-AHT Spin 150i
- Stampante 3D a stereolitografia Formlabs, Form 3D+
- Stazione di microfabricazione UV, Elvesys UV-KUB-2
- Stampante 3D (WASP DELTA 2040 TURBO2 e Witbox2) per materiali polimerici
- Stampante 3D Witbox, BQ
- Microscopio a Scansione Elettronica - Hitachi TM 4000 plus
- Cappe a flusso laminare verticale biohazard (5), incubatori (6), e centrifughe refrigerate per colture cellulari (IRCCS IOR)
- Cappe chimiche
- Q-RT-PCR (CFX96 Touch System, Biorad)
- Western blotting (mini e maxigel)
- Simple Western capillare (Abby, Protein Simple)
- Trasfezione con elettroporatore capillare Microportator Digital Bio (IRCCS IOR)
- Mikro-Dismembrator S Sartorius
- Nanodrop (IRCCS IOR)
- Isolatore per terapie avanzate Miltenyi Biotec Prodigy® (IRCCS IOR)
- Microtomi (Leica RM2155, Leitz), criostati (Leica), ultramicrotomo Reichert-Jung Polycut E
- Strumenti per la preparazione di campioni istologici inclusi in paraffina e in resina (IRCCS IOR)
- Citocentrifuga Sakura Cyto-Tek® (IRCCS IOR)
- Citofluorimetro Thermo Fisher Attune NxT (IRCCS IOR)
- Biostampante CELLINK BIOX™ (IRCCS IOR)
- Sistema di pulse laser deposition per rivestimenti alla nanoscala (IRCCS IOR)
- Spettrometro FT-IR PerkinElmer Spotlight 200i con modulo di microscopia (IRCCS IOR)
Formazione
Il Centro organizza attività di formazione nell’ambito di Winter e Summer School intitolate “Advanced in vitro models: spheroids and organoids development, applications and imaging”.
Le scuole sono dedicate alla progettazione, all’ottimizzazione e all’impiego di sferoidi e organoidi nella ricerca traslazionale. L’obiettivo è fornire competenze avanzate nell’utilizzo di tecniche innovative, quali la microfluidica, le colture 3D e l’imaging 3D di cellule vive. Attraverso lezioni teoriche e casi di studio applicativi, i partecipanti approfondiscono il potenziale di questi modelli nel migliorare la modellizzazione delle malattie, lo screening farmacologico e lo sviluppo di strategie terapeutiche personalizzate.
Direttore del Centro di Medicina di Precisione
-
Professore ordinario
Dipartimento di Scienze Biomediche e Neuromotorie
Via Pupilli 1
Bologna (BO)
Tel: +39 051 63666566
Staff
-
Ricercatrice a tempo determinato tipo b) (senior)
Dipartimento di Scienze Biomediche e Neuromotorie - DIBINEM
Via Massarenti 9
Bologna (BO)
Tel: +39 051 6366549
-
Professoressa a contratto, Borsista di Ricerca - Post
Dipartimento di Scienze per la Qualità della Vita - QUVI
Corso D'Augusto 237
Rimini (RN)
Tel: +39 051 6366549
-
Dottoranda
Dipartimento di Scienze Biomediche e Neuromotorie - DIBINEM
Via Massarenti 9
Bologna (BO)
-
Dottoranda
Dipartimento di Scienze Biomediche e Neuromotorie - DIBINEM
Via Massarenti 9
Bologna (BO)
-
Alessandro Pasquarelli
Dottorando
Dipartimento di Scienze Biomediche e Neuromotorie - DIBINEM
Via Massarenti 9 Bologna (BO)
Contatti
-
Centro Medicina di Precisione
Galleria
Gocce lipidiche in cellule di osteosarcoma (microscopia olotomografica)
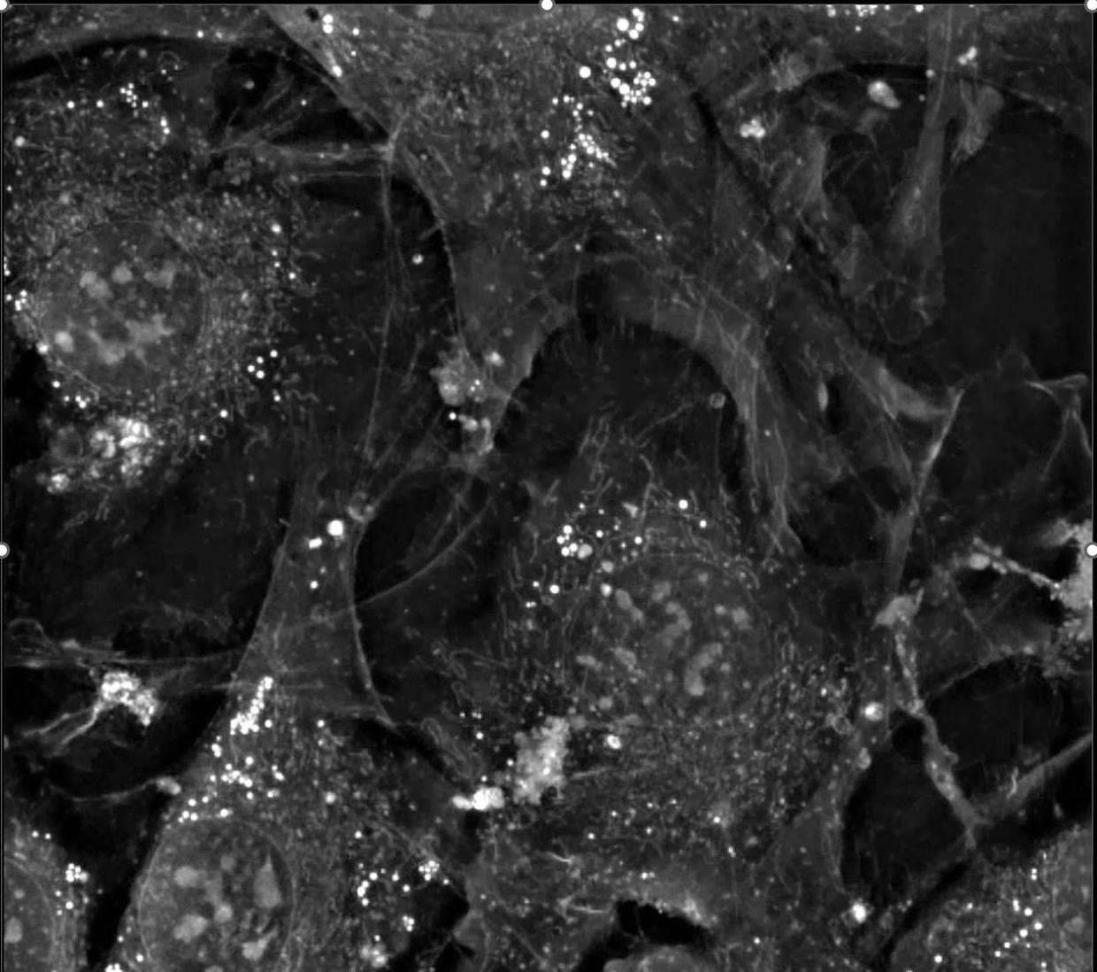
Citoscheletro e nuclei in cellule di osteosarcoma (microscopia confocale)
Dispositivo microfluidico point-of-care
Goccia di alginato biostampata
Citoscheletro e mitocondri in cellule di osteosarcoma (microscopia confocale)
Citoscheletro e podoplanina in osteociti murini (microscopia confocale)
Giunzioni comunicanti in sferoide di osteosarcoma (microscopia confocale)
Vaso di cellule endoteliali in dispositivo di microfluidica (microscopia confocale)
Mitocondri e nuclei in cellule di osteosarcoma (microscopia confocale)
Network 3D di osteociti in dispositivo di microfluidica (microscopia confocale)
Neuroni del ganglio della radice dorsale murino (microscopia confocale)
Osteoni in osso umano (microscopia a contrasto di fase)
Rete di mitocondri in cellule di osteosarcoma (microscopia olotomografica)
Colorazione live/dead in sferoidi di osteosarcoma (microscopia confocale a doppio fotone, ricostruzione 3D su sezioni seriali)